- Технические характеристики и другая информация предоставляются для справки.
- Чертежи и изображения представлены для ознакомления
Подшипник роликовый самоустанавливающийся 24068-E 1A-K 30-MB 1
Подшипник роликовый самоустанавливающийся 24068-E1A-K30-MB1 предназначен, главным образом, для эксплуатации в условиях аксиальных воздействий. Существуют варианты в однорядном и двухрядном исполнении. В первом случае неразъемная конструкция закрепляется при помощи втулок и включает бочкообразные роликоподшипники, сепаратор, толстостенную внешнюю обойму сферической формы и внутреннее широкое кольцо с бортиками, в котором иногда располагается посадочное гнездо под цилиндрическую или коническую посадочную основу. Второй тип имеет двухрядный набор тел качения и способен к восприятию как аксиальных, так и осевых нагрузок.
Каковы отличительные черты Подшипник роликовый самоустанавливающийся 24068-E1A-K30-MB1?
-
Деталь является самоцентрирующейся, то есть позволяет выравнивать перекосы, возникающие в процессе ее установки, компенсирует прогиб валов, несоосность.
-
Применяется в барабанных лебедках, врубовых агрегатах, угольных комбайнах, мощных редукторах, шнеках, крановых скатах и так далее.
-
Обладает высокой грузоподъемностью и износостойкостью даже при ударных темпах работы.
В каталоге магазина для заказа онлайн доступен Подшипник роликовый самоустанавливающийся 24068-E1A-K30-MB1 ГОСТ или его (аналоги ISO) и прочие высококачественные модели от компаний FAG, KOYO, NSK, SKF, SNR по доступной стоимости!
Технические характеристики
Обозначение : 24068-E1A-K30-MB1
Размеры, мм : 340x520x180
Производитель : FAG
Диаметр внутренний, мм : 340
Диаметр наружный, мм : 520
Высота, мм : 180
Технические данные из каталога производителя :
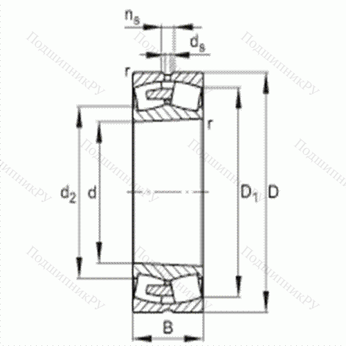
d - 340 mm
D - 520 mm
B - 180 mm
D1 - 456,1 mm
Da max - 502 mm
da min - 358 mm
ds - 9,5 mm
ns - 17,7 mm
ra max - 4 mm
rmin - 5 mm
m - 136 kg / Вес
Cr - 3550000 N / динамическая грузоподъемность, радиальная
e - 0,32
Y1 - 2,12
Y2 - 3,15
C0r - 6200000 N / статическая грузоподъемность, радиальная
Y0 - 2,07
nG - 1080 1/min / Предельная частота вращения
nB - 620 1/min / Базовая тепловая частота вращения
Cur - 520000 N
Основные размеры по DIN 635-2, с коническим отверстием, конусность 1:30
|
Производитель
|
FAG |
|
Ширина B
|
180 |
|
Внешний диаметр D
|
520 |
|
Внутренний диаметр d
|
340 |
|
Размер
|
340x520x180 |
|
Вес, кг
|
136 |
|
Модель
|
24068-E1A-K30-MB1-FAG |
|
SKU
|
24068-E1A-K30-MB1-FAG |
Похожие по размеру
Оформить заказ на нашем сайте легко. Просто добавьте выбранные товары в корзину, а затем перейдите на страницу Корзина, проверьте правильность заказанных позиций и нажмите кнопку «Оформить заказ» или «Быстрый заказ».
Функция «Быстрый заказ» позволяет покупателю не проходить всю процедуру оформления заказа самостоятельно. Вы заполняете форму, и через короткое время вам перезвонит менеджер магазина. Он уточнит все условия заказа, ответит на вопросы, касающиеся качества товара, его особенностей. А также подскажет о вариантах оплаты и доставки.
По результатам звонка, пользователь либо, получив уточнения, самостоятельно оформляет заказ, укомплектовав его необходимыми позициями, либо соглашается на оформление в том виде, в котором есть сейчас. Получает подтверждение на почту или на мобильный телефон и ждёт доставки.
Если вы уверены в выборе, то можете самостоятельно оформить заказ, заполнив по этапам всю форму.
Выберите из списка название вашего региона и населённого пункта. Если вы не нашли свой населённый пункт в списке, выберите значение «Другое местоположение» и впишите название своего населённого пункта в графу «Город». Введите правильный индекс.
В зависимости от места жительства вам предложат варианты доставки. Выберите любой удобный способ.
Оплата
Выберите оптимальный способ оплаты.
Введите данные о себе: ФИО, адрес доставки, номер телефона. В поле «Комментарии к заказу» введите сведения, которые могут пригодиться курьеру, например: подъезды в доме считаются справа налево.
Проверьте правильность ввода информации: позиции заказа, выбор местоположения, данные о покупателе. Нажмите кнопку «Оформить заказ».
Наш сервис запоминает данные о пользователе, информацию о заказе и в следующий раз предложит вам повторить к вводу данные предыдущего заказа. Если условия вам не подходят, выбирайте другие варианты.

