- Технические характеристики и другая информация предоставляются для справки.
- Чертежи и изображения представлены для ознакомления
Подшипник шариковый радиальный 6920N
Подшипник шариковый радиальный 6920N его строение включает в себя наружную шину, тела качения, сепаратор из штампованной стали, латуни или полиамида, центрирующийся по шарикам либо бортикам внешнего кольца. Устройство является неразборным и полностью готово к монтажу. Существуют также обслуживаемые и необслуживаемые варианты (в первом случае в корпусе детали имеется специальное смазочное отверстие, через которое происходит подача смазки, расходуемой в процессе работы). Закрытые модели дополнительно усилены уплотняющими шайбами или уплотнениями и не требуют обслуживания. В изделии также могут присутствовать узкие, широкие и средние зазоры.
Каковы характерные особенности Подшипник шариковый радиальный 6920N?
- Рассчитан на восприятие серьезных аксиальных и незначительных осевых нагрузок.
- Обладает низким коэффициентом трения, за счет чего возможно вращение на максимально допустимых скоростях и более длительный срок эксплуатации в сравнении с аналогами.
- Отличается высокой грузоподъемностью и склонностью к самоцентрированию, что дает возможность выравнивать перекосы во время монтажа.
Приобретайте выгодно Подшипник шариковый радиальный 6920N ГОСТ или его (аналоги ISO), а также иную продукцию от мировых промышленных брендов FAG, KOYO, NSK, SKF, SNR на нашем веб-сайте!
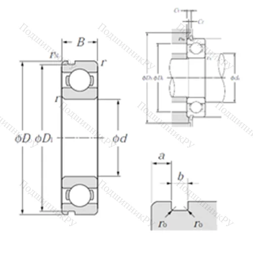
Технические характеристики
Обозначение : 6920N
Размеры, мм : 100x140x20
Производитель : NTN
Диаметр внутренний, мм : 100
Диаметр наружный, мм : 140
Высота, мм : 20
Технические данные из каталога производителя :
Внутренний диаметр (d) - 100 мм.
Наружный диаметр (D) - 140 мм.
Ширина (высота) (B) - 20 мм.
Ширина наружной обоймы (C) - 20 мм.
Размер (rn) - 0,5
Размер (a) - 3,3 мм.
Размер (b) - 1,9 мм.
Размер (r min.) - 1,1 мм.
Размер (r0 max.) - 0,6 мм.
Размер (D1) - 137,6 мм.
Размер сопряженных деталей (da min.) - 106,5
Размер сопряженных деталей (da max) - 110
Размер сопряженных деталей (Da max.) - 133,5
Размер сопряженных деталей (ra max.) - 1
Размер сопряженных деталей (Dx) - 147
Размер сопряженных деталей (Cy) - 4,7
Размер сопряженных деталей (Cz) - 1,7
Размер сопряженных деталей (rn) - 0,5
Масса - 0,785 Кг
Грузоподъемность динамическая (C) - 41 кН
Грузоподъемность статическая (C0) - 39,5 кН
Частота вращения предельная при пластичной смазке - 4 500 об/мин
Частота вращения предельная при жидкой смазке - 5 300 об/мин
Расчетный коэффициент (f0) - 16,4
Количество дорожек качения - 1
Уплотнение - Нет
| 
																Производитель
															 | NTN | 
| 
																Ширина B
															 | 20 | 
| 
																Внешний диаметр D
															 | 140 | 
| 
																Внутренний диаметр d
															 | 100 | 
| 
																Размер
															 | 100x140x20 | 
| 
																Вес, кг
															 | 0.785 | 
| 
																Модель
															 | 6920N-NTN | 
| 
																SKU
															 | 6920N-NTN | 
| 
																Диаметр вала d1
															 | 137,6 мм. | 
Похожие по размеру
Оформить заказ на нашем сайте легко. Просто добавьте выбранные товары в корзину, а затем перейдите на страницу Корзина, проверьте правильность заказанных позиций и нажмите кнопку «Оформить заказ» или «Быстрый заказ».
Функция «Быстрый заказ» позволяет покупателю не проходить всю процедуру оформления заказа самостоятельно. Вы заполняете форму, и через короткое время вам перезвонит менеджер магазина. Он уточнит все условия заказа, ответит на вопросы, касающиеся качества товара, его особенностей. А также подскажет о вариантах оплаты и доставки.
По результатам звонка, пользователь либо, получив уточнения, самостоятельно оформляет заказ, укомплектовав его необходимыми позициями, либо соглашается на оформление в том виде, в котором есть сейчас. Получает подтверждение на почту или на мобильный телефон и ждёт доставки.
Если вы уверены в выборе, то можете самостоятельно оформить заказ, заполнив по этапам всю форму.
Выберите из списка название вашего региона и населённого пункта. Если вы не нашли свой населённый пункт в списке, выберите значение «Другое местоположение» и впишите название своего населённого пункта в графу «Город». Введите правильный индекс.
	 В зависимости от места жительства вам предложат варианты доставки. Выберите любой удобный способ. 
	
	Оплата
Выберите оптимальный способ оплаты.
Введите данные о себе: ФИО, адрес доставки, номер телефона. В поле «Комментарии к заказу» введите сведения, которые могут пригодиться курьеру, например: подъезды в доме считаются справа налево.
Проверьте правильность ввода информации: позиции заказа, выбор местоположения, данные о покупателе. Нажмите кнопку «Оформить заказ».
Наш сервис запоминает данные о пользователе, информацию о заказе и в следующий раз предложит вам повторить к вводу данные предыдущего заказа. Если условия вам не подходят, выбирайте другие варианты.

 
                                            
                                        