- Технические характеристики и другая информация предоставляются для справки.
- Чертежи и изображения представлены для ознакомления
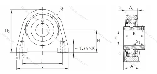
Подшипниковый узел RSHEY 35 XL N

Корпус модели выполнен из серого, стойкого к износу чугуна, и имеет уплотнители разновидности R. Подшипник крепится в гнезде при помощи резьбовых штифтов. Деталь нуждается в периодическом смазывании внутренних элементов, поэтому имеет специально предназначенное для этого отверстие (как самому смазать закрытый подшипник посмотрите здесь).
В чем плюсы и характерные особенности Подшипниковый узел RSHEY 35 XL N?
- Изготавливается согласно нормам международного уровня ISO, за счет чего может бесперебойно работать даже при повышенных скоростях и вибрациях в течение длительного времени.
- Обладает более серьезным запасом прочности по сравнению с иными устройствами.
- Устанавливается в качестве элемента строительного и сельскохозяйственного оборудования, станков, конвейеров и аналогичных механизмов.
Вам срочно требуется Подшипниковый узел RSHEY 35 XL N по наличию с необходимыми размерами с наружным: D - от 103мм до 150мм и внутренним диаметром: d - 35мм? Воспользуйтесь нашим онлайн-каталогом для покупки!
| Бренд | INA |
| Страна производитель | СЛОВАКИЯ |
| Внутренний диаметр d | 35 мм |
| Внешний диаметр D | 103 мм |
| Ширина B(H) | 93 мм |
|
Производитель
|
INA |
|
Ширина B
|
93 |
|
Внешний диаметр D
|
103 |
|
Внутренний диаметр d
|
35 |
|
Размер
|
35x103x93 |
|
Модель
|
узел RSHEY 35 XL N |
Похожие по размеру
Оформить заказ на нашем сайте легко. Просто добавьте выбранные товары в корзину, а затем перейдите на страницу Корзина, проверьте правильность заказанных позиций и нажмите кнопку «Оформить заказ» или «Быстрый заказ».
Функция «Быстрый заказ» позволяет покупателю не проходить всю процедуру оформления заказа самостоятельно. Вы заполняете форму, и через короткое время вам перезвонит менеджер магазина. Он уточнит все условия заказа, ответит на вопросы, касающиеся качества товара, его особенностей. А также подскажет о вариантах оплаты и доставки.
По результатам звонка, пользователь либо, получив уточнения, самостоятельно оформляет заказ, укомплектовав его необходимыми позициями, либо соглашается на оформление в том виде, в котором есть сейчас. Получает подтверждение на почту или на мобильный телефон и ждёт доставки.
Если вы уверены в выборе, то можете самостоятельно оформить заказ, заполнив по этапам всю форму.
Выберите из списка название вашего региона и населённого пункта. Если вы не нашли свой населённый пункт в списке, выберите значение «Другое местоположение» и впишите название своего населённого пункта в графу «Город». Введите правильный индекс.
В зависимости от места жительства вам предложат варианты доставки. Выберите любой удобный способ.
Оплата
Выберите оптимальный способ оплаты.
Введите данные о себе: ФИО, адрес доставки, номер телефона. В поле «Комментарии к заказу» введите сведения, которые могут пригодиться курьеру, например: подъезды в доме считаются справа налево.
Проверьте правильность ввода информации: позиции заказа, выбор местоположения, данные о покупателе. Нажмите кнопку «Оформить заказ».
Наш сервис запоминает данные о пользователе, информацию о заказе и в следующий раз предложит вам повторить к вводу данные предыдущего заказа. Если условия вам не подходят, выбирайте другие варианты.


