Подшипниковые корпуса типа FL
В ассортименте подшипниковых корпусов, реализуемых компанией «ПодшипникРУ» широко представлены изделия типа FL.
Общая информация о товаре
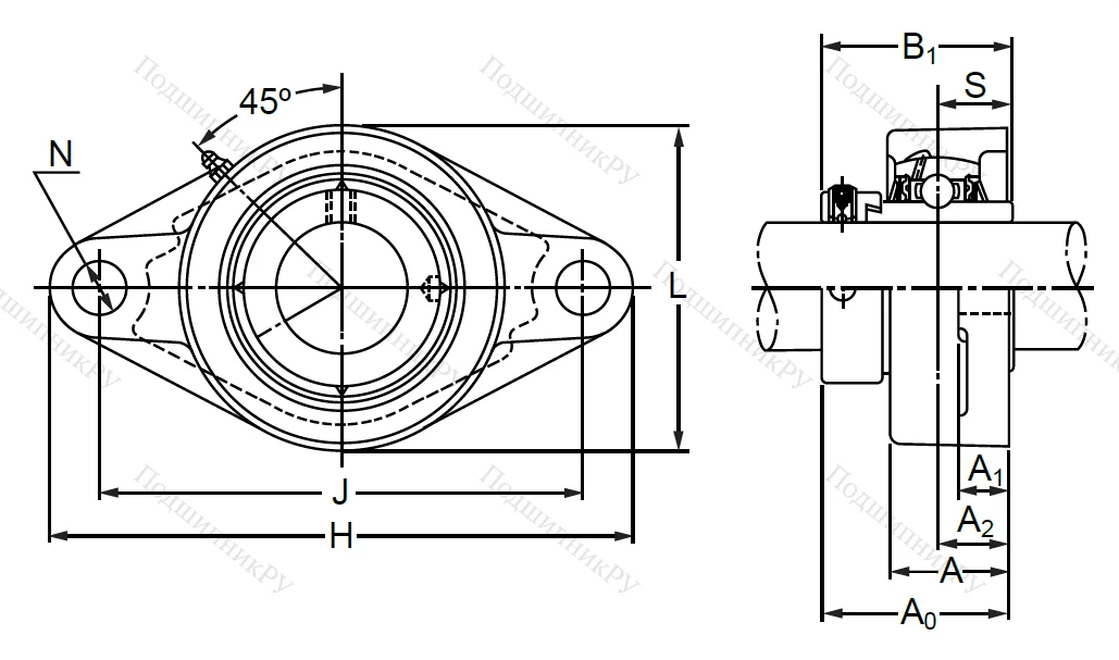
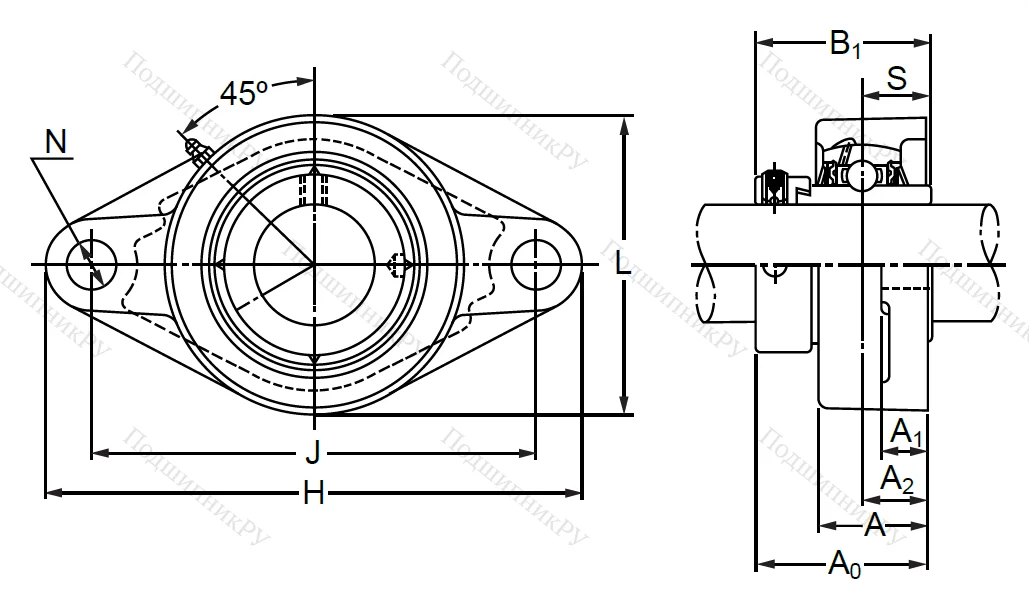
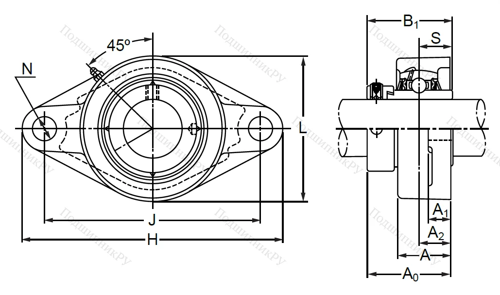
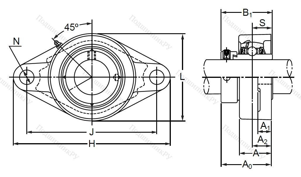
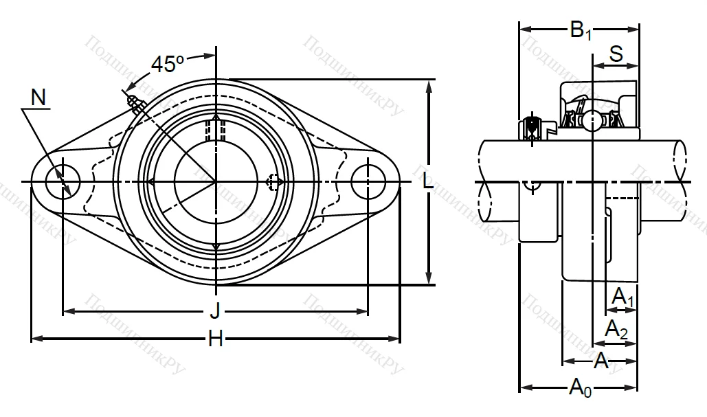
Этот корпус имеет крепёжный фланец ромбического типа, который может быть изготовлен из чугуна (реже, из стали нержавеющих типов). В последнем случае, в суффиксе проставляется дополнительная маркировка SS. Корпус, укомплектованный подшипником типа UC, именуется подшипниковым узлом UCFL.
Подобные узлы фиксируются двумя болтами на вертикальных поверхностях, являются достаточно лёгкими и компактными
Мы предлагаем заказчикам корпуса, позволяющие формировать широкую линейку подшипниковых узлов следующих серий:
- UCFL2 – имеют метрические стопорные винты;
- HCFL2 – в качестве крепления применяется стопорное кольцо эксцентрикового типа (МС - метрическая серия);
- UKFL2 – фиксируются при помощи закрепительной втулки. МС)
- UCFL3 – тяжёлая серия. Крепится метрическими стопорными винтами.
Все четыре вышеназванных серии производятся также и в дюймовом исполнении.
Кроме рассмотренных версий, ромбический крепёжный фланец имеют узлы серии BPFL.
Цифра 2 в маркировке указывает на принадлежность узла к лёгкой серии. Цифра 3 – тяжёлой. Литера «Х» - для эксплуатации в умеренных условиях).
Мы реализуем подшипниковые корпуса отдельно, либо, по желанию заказчика, в виде собранного и готового к установке подшипникового узла одной из вышеназванных серий.
Важно понимать, что корпуса унифицированы и допускают установку в них подшипников разных типов (при совпадении геометрических размеров).
Наш консультант, при необходимости, окажет профессиональную помощь в подборе необходимого корпуса и подшипника для него.




















